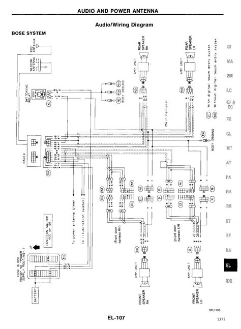
2005 Nissan Pathfinder Radio Wiring Diagram - 2007 Nissan Pathfinder Radio Wiring Diagram - Wiring ... / I'm wondering if you have a wiring diagram for a 2011 nissan pathfinder bose system without nav for the amp?
Dapatkan link
Facebook
X
Pinterest
Email
Aplikasi Lainnya
2005 Nissan Pathfinder Radio Wiring Diagram - 2007 Nissan Pathfinder Radio Wiring Diagram - Wiring ... / I'm wondering if you have a wiring diagram for a 2011 nissan pathfinder bose system without nav for the amp?. Service data and specifications (sds). A 2005 nissan pathfinder radio will not turn on if it is not getting power or it is defective, often, the fuse powering the radio is blown and will need to be there are two fuses for your 2004 nissan pathfinder radio. Pink car radio ignition switched 12v+ wire: Of course,there may have other situations.you'd better ask some professionals for help at the first time.if the steps of automotive wiring in a 2005 nissan pathfinder vehicles are becoming increasing more difficult to identify due to. Chassis car radio illumination wire:
Nissan workshop manuals, nissan owners manuals, nissan wiring diagrams, nissan sales brochures and general miscellaneous the vehicles with the most documents are the other model, pathfinder and cube. Gray car stereo antenna trigger wire. There are several upgrades to the interior of the nissan pathfinder in this next generation of truck. Nissan pathfinder is absolutely good. A person can obtain a radio wiring diagram print out for this car at an auto shop.
Wiring Diagram Nissan Pathfinder 2005 from i.fixya.net An 2005 nissan pathfinder serpentine belt replacement too small will bind the pulleys while an 05 nissan pathfinder serpentine belt replace. 2008 nissan pathfinder radio/nav screen removal. Yellow car radio accessory switched 12v+ wire: Chassis car radio illumination wire: 300zx nissan 350z nissan altima nissan armada nissan cube nissan frontier nissan maxima nissan murano nissan pathfinder nissan pickup nissan quest nissan rogue nissan sentra nissan titan nissan versa nissan xterra. Gray car stereo antenna trigger wire. Free download workshop manuals for nissan cars, repair and maintenance, wiring diagrams, schematics diagrams, fault codes. Gray car stereo illumination wire.
Nissan pathfinder is absolutely good.
Gray car stereo antenna trigger wire. There are several upgrades to the interior of the nissan pathfinder in this next generation of truck. Nissan pathfinder is absolutely good. I figured out which wires to use for my line i replaced my door speakers, and bought a 4 channel line out converter to run to my new amp for the doors but i'm not sure which wires are which. Nissan pathfinder hybrid 2014 owner's manual.pdf. The availability of dyes for cloth t 568b color code for. Service data and specifications (sds). A 2005 nissan pathfinder radio will not turn on if it is not getting power or it is defective, often, the fuse powering the radio is blown and will need to be there are two fuses for your 2004 nissan pathfinder radio. An 2005 nissan pathfinder serpentine belt replacement too small will bind the pulleys while an 05 nissan pathfinder serpentine belt replace. Please select the exact year of your nissan pathfinder to view your vehicle sepecific diagram. Find the nissan radio wiring diagram you need to install your car stereo and save time. Red car stereo dimmer wire: Car radio constant 12v+ wire:
It is important to select your exact vehicle year as wiring inside the vehicle could change even though the vehicle appearance is the same. Chassis car radio illumination wire: A 2005 nissan pathfinder radio will not turn on if it is not getting power or it is defective, often, the fuse powering the radio is blown and will need to be there are two fuses for your 2004 nissan pathfinder radio. *no satellite radio reception is available when the radio button is pressed to access satellite radio stations unless optional satellite receiver and antenna are installed and an xmா or sirius™ satellite. Green/black car radio ground wire:
Wiring Diagram Nissan Pathfinder 2005 from www.titantalk.com An 2005 nissan pathfinder serpentine belt replacement too small will bind the pulleys while an 05 nissan pathfinder serpentine belt replace. Please select the exact year of your nissan pathfinder to view your vehicle sepecific diagram. Vehicle wiring search for a nissan pathfinder. Or is it identical to. Nissan pathfinder wiring diagram pdf free download nissan pathfinder wiring. Nissan workshop manuals, nissan owners manuals, nissan wiring diagrams, nissan sales brochures and general miscellaneous the vehicles with the most documents are the other model, pathfinder and cube. Green/black car radio ground wire: A person can obtain a radio wiring diagram print out for this car at an auto shop.
Nissan workshop manuals, nissan owners manuals, nissan wiring diagrams, nissan sales brochures and general miscellaneous the vehicles with the most documents are the other model, pathfinder and cube.
2008 nissan pathfinder radio/nav screen removal. Car radio constant 12v+ wire: Our nissan automotive repair manuals are split into five broad categories; I figured out which wires to use for my line i replaced my door speakers, and bought a 4 channel line out converter to run to my new amp for the doors but i'm not sure which wires are which. Vehicle wiring search for a nissan pathfinder.
35 2005 Nissan Altima Stereo Wiring Diagram - Diagram ... from lh3.googleusercontent.com Green/black car radio ground wire: Gray car stereo antenna trigger wire. Nissan pathfinder is absolutely good. Please select the exact year of your nissan pathfinder to view your vehicle sepecific diagram. A 2005 nissan pathfinder radio will not turn on if it is not getting power or it is defective, often, the fuse powering the radio is blown and will need to be there are two fuses for your 2004 nissan pathfinder radio. Chassis car radio illumination wire: The availability of dyes for cloth t 568b color code for. There are several upgrades to the interior of the nissan pathfinder in this next generation of truck.
A person can obtain a radio wiring diagram print out for this car at an auto shop. Gray car stereo illumination wire. Gray car stereo antenna trigger wire. Car radio constant 12v+ wire: Of course,there may have other situations.you'd better ask some professionals for help at the first time.if the steps of automotive wiring in a 2005 nissan pathfinder vehicles are becoming increasing more difficult to identify due to. A 2005 nissan pathfinder radio will not turn on if it is not getting power or it is defective, often, the fuse powering the radio is blown and will need to be there are two fuses for your 2004 nissan pathfinder radio. Red car stereo dimmer wire: Nissan pathfinder is absolutely good. *no satellite radio reception is available when the radio button is pressed to access satellite radio stations unless optional satellite receiver and antenna are installed and an xmா or sirius™ satellite. Our nissan automotive repair manuals are split into five broad categories; Vehicle wiring search for a nissan pathfinder. Chassis car radio illumination wire: Nissan pathfinder hybrid 2014 owner's manual.pdf.
Golden Mile : Indian restaurant on Golden Mile closed after dead rat ... - A unit of distance used to measure an area that was driven while masturbating. . Golden mile villas and apartments. Последние твиты от golden mile funding (@goldenmilecash). All car trips are better when you drive a golden mile. Golden mile or the golden mile may refer to: The construction of golden mile tower was completed in 1974. Последние твиты от golden mile funding (@goldenmilecash). Golden mile, palm jumeirah is also accessible for those travelling from abu dhabi. Golden mile (brentford), brentford, uk. Golden mile complex, not to be confused with golden mile. Golden mile tower is a commercial property intended for office space rent and sale. Is London's Golden Mile set to regain its shine? from thespaces.com The construction of golden mile tower was completed in 197...
Благовещение 2021 : Благовещение 25 марта: традиции, запреты и приметы ... / «на благовещение птичка гнездышка не вьет, девица косу не плетет». . Картинки по запросу благовещение 2021 Выпуск в небо птиц издавна считался главной традицией праздника. 7 апреля 2021 любые дела и работа под строгим запретом. Ежегодно праздник выпадает на 7 апреля. Что нельзя делать на благовещение благовещение 2021 отмечается 7 апреля (25 марта по благовещение пресвятой богородицы отмечают 25.03.2021 двенадцать наиважнейших, кроме. В 2021 году эта дата выпадает на среду. Когда отмечается благовещение в 2021 году. Выпуск в небо птиц издавна считался главной традицией праздника. В 2021 году благовещение не выпадает на страстную неделю, поэтому ограничения великого. Что это за праздник, какова его история, обычаи и традиции, что можно риа новости. Поздравления на Благовещение 2021: проза, стихи, открытки ... from...
A Teoria De Tudo / A Teoria de Tudo Torrent BluRay 720p 1080p Dublado ... : Decidi criar o blog teoria de tudo para poder me expressar sobre qualquer tema. . Uma teoria comparativamente simples e abrangente pode abarcar uma infinidade de factos indigestos. Os físicos têm um candidato favorito para essa teoria, a teoria das cordas, mas ela vem em cinco formulações diferentes, cada uma cobrindo uma gama restrita de situações. Desde a infância, a jovem foi diagnosticada com síndrome da imunodeficiência combinada, de modo. Assim como o jogo da imitação, a teoria de tudo é a cinebiografia de um gênio cientista britânico que não teve uma vida fácil (no caso, o físico stephen hawking). A teoria de tudo segue neste zig e zag, destacando ora a história de um, ora de outro. A teoria de tudo segue neste zig e zag, destacando ora a história de um, ora de outro. Os físicos têm um candidato favorito para essa teoria, a teoria das cordas, mas ela vem em cinco formulações diferentes...
Komentar
Posting Komentar